颚式破碎机易损件全解析:种类、更换周期及延长使用寿命秘籍

颚式破碎机易损件全解析:种类、更换周期及延长使用寿命秘籍

发布日期:2024-01-19 来源:VANGUARD 浏览次数:0
颚式破碎机作为矿山、建材等行业的核心设备,其运行状态直接关系到生产效率和经济效益。然而,由于破碎作业的恶劣环境及长期的使用,颚式破碎机受到高强度的冲击和摩擦,其易损件很容易出现磨损、断裂等问题,这不仅会影响设备的性能和效率,还可能导致生产线的停机。因此需要及时定期检查和更换,以保证设备的正常运转和生产效率。

颚式破碎机

颚式破碎机

一、颚破易损件种类及更换周期

颚式破碎机易损件包括动颚板、定颚板、边护板、肘板、轴承、弹簧拉杆及弹簧部件等
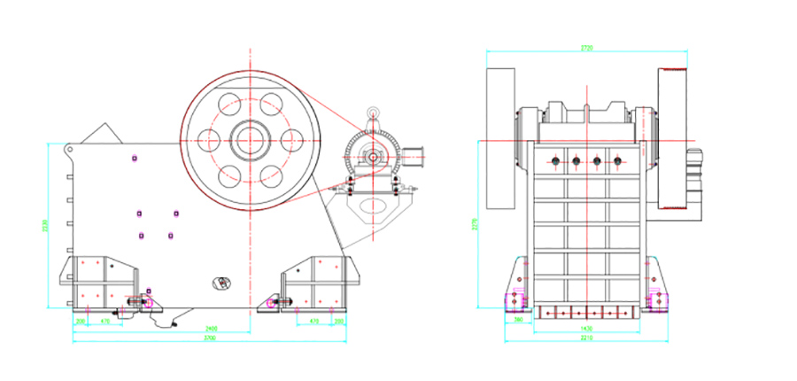
颚式破碎机组成结构
颚式破碎机组成结构
1、定动颚板:
颚板是颚式破碎机的主要工作部件,承受巨大的冲击载荷。在破碎过程中,定动颚板的边缘会产生严重磨损,其磨损多集中在中下部,这是由于破碎过程中物料的反复冲击和摩擦。定动颚板形状设计为上下对称,因此当定动颚板一端磨损后,可掉头使用。为了延长其使用寿命,定动颚板一般选用高锰钢等硬度和耐磨性较好的材料,如:ZGMn13材质。定动颚板更换周期一般在几个月到半年左右,具体取决于使用条件、石料硬度和设备负荷等因素。
颚式破碎机易损件颚板
2、边护板:
边护板位于颚式破碎机机架的左、右内侧,用于保护颚式破碎机的机体。在物料撞击下,边护板会磨损,当边护板的磨损量达到一定程度时,需要更换新的边护板。边护板的更换周期一般较长,通常在半年左右,具体根据使用条件和破碎机的工作强度而定。
颚式破碎机易损件边护板
3、肘板:
肘板是连接动、定颚板的重要部件,同时也是破碎机的保险零件,当破碎机中落入不能破碎的物料而使机器超过平常负荷时,肘板就会立即折断,破碎机停止工作,从而避免整个机器的损坏。肘板需要定期检查更换,其更换周期通常在半年左右。肘板和肘板垫采用滑动接触方式,正常使用情况下很少磨擦,平时在其接触表面上涂上一层润滑脂即可。
颚式破碎机易损件肘板
4、弹簧拉杆及弹簧部件:
弹簧拉杆作为颚式破碎机中的重要部件,主要起到连接调整座和后撑板的作用,同时还能够调节排矿口尺寸并保持颚板的稳定性,弹簧部件和弹簧拉杆配套,主要作用是固定肘板,防止肘板脱落,并吸收和缓冲破碎过程中的振动和冲击,具有较好的缓冲减振作用,可以有效地减小破碎过程中对机器的冲击损伤。在实际操作中,如果发现弹簧拉杆及弹簧部件出现损坏或失效,需要及时进行更换以确保设备的正常运行。弹簧拉杆及弹簧部件的更换周期一般在半年左右,具体更换周期取决于使用条件、工作强度和维护情况等因素。
5、轴承:
颚式破碎机轴承采用4套调心滚子轴承,具有良好的承载和自动调心的性能,颚式破碎机的轴承主要承受设备工作时的径向载荷。在长期的高负荷运行下,轴承会产生磨损,需要定期检查更换,更换车削偏心轴和颚心轴,浇铸连杆头上部的巴氏合金,更换或修复各磨损件。为了提高轴承的使用寿命,可以采用具有较高耐久性和承载能力的轴承材料。轴承的更换周期一般在一年以上,具体取决于轴承质量、使用条件和维护情况。

二、如何延长颚式破碎机易损件的使用寿命?

1、优化破碎物料:颚式破碎机破碎的物料不同,易损件的磨损情况也会有所不同,应尽可能优化破碎物料,减少硬度高、杂质多的物料的使用量。
2、使用正确的操作方式:正确的操作方式可以减少衬板的磨损,例如,在给料时应保持均匀,避免给料过多或过少;在运转时应避免过载,防止对设备造成过大负荷。
3、定期检查和维护:定期检查破碎机的易损件,发现磨损严重或损坏应及时更换。另外,还要定期清洁设备内部,防止杂质积聚导致额外的磨损。
4、合理安装和调整:在安装和调整颚式破碎机时,要确保各部件的正确安装位置和合理调整,避免偏差和不稳定性导致的额外磨损。 
5、适当保养润滑:保持润滑油清洁,并及时更换和补充润滑油,确保设备在正常的润滑状态下运行。 
6、注意安全操作:在使用颚式破碎机时,要严格按照操作规程进行操作,注意安全事项,避免人为因素导致的设备损坏。 
7、选择优质易损件:选择优质的易损件供应商,购买原厂或具有高品质认证的易损件,可以确保易损件的质量和使用寿命,降低设备故障率。 
综上,易损件的种类和更换周期会因设备型号、制造工艺、使用环境以及操作方式等因素而有所不同。因此,在实际生产中,应定期对颚式破碎机进行检查和维护,及时发现并处理问题,以确保设备正常运行和提高生产效率。同时,用户也需要规范使用破碎设备,做好易损件的检修保养,加强检查流程,发现磨损及时更换,保证整个碎石生产线的正常运行。
在线咨询
方案设计
免费通话

全国免费服务热线
17513351888

关注我们

扫一扫
关注我们